Bragg Grating in Bioresorbable Fiber (IMAGE)
Caption
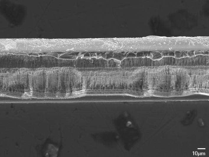
Researchers inscribed a sensing element known as fiber Bragg grating into a glass optical fiber designed to dissolve completely inside the body. The image shows the side view of a bioresorbable fiber Bragg grating after it has dissolved in liquid. The gratings could be used as tiny probes that can safely reach and assess delicate organs.
Credit
Maria Konstantaki, Foundation of Research and Technology - Hellas
Usage Restrictions
None
License
Licensed content