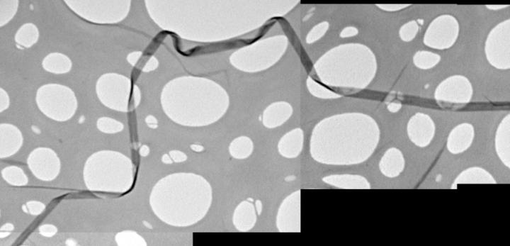
2D phosphorene nanoribbons drapped over a transmission electron microscopy grid
Credit
Watts <em>et al</em>.
Usage Restrictions
credit: Watts et al.
License
Licensed content
Disclaimer: AAAS and EurekAlert! are not responsible for the accuracy of news releases posted to EurekAlert! by contributing institutions or for the use of any information through the EurekAlert system.